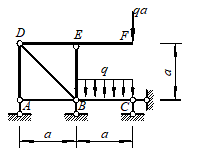
问题 更新时间2023/4/3 12:59:00 图示组合结构中,AB,AD,BD,BE,DE杆件均为二力杆。 A.正确 B.错误 答案 登录 注册 参考答案:错 出自:联大 >> 河南理工理工大学结构力学